We Keep Your Satellite Systems Right On Target
727-571-1008

Waveguide To Coaxial Type N

amc-type-n-coaxial-adapter

  WAVEGUIDE FLANGES:

A = AMC QUICK DISCONNECT (MALE) PATENT PROTECTED
B = AMC QUICK DISCONNECT (FEMALE) PATENT PROTECTED
C = MODIFIED CPR STYLE – GROOVE ONLY, NO CONTACTS (CLEAR HOLES )
D = MODIFIED CPR STYLE – GROOVE ONLY, NO CONTACTS (ALL TAP HOLES)
= CPR STYLE FLAT (ALL TAP HOLES)
F = CPR STYLE FLAT (CLEAR HOLES)
G = CPR STYLE CONTACT GROOVED (CLEAR HOLES)
H = CPR STYLE CONTACT GROOVED (ALL TAP HOLES)
I = CMR (CLEAR HOLES)
J = CMR (ALT/ TAP,/CLEAR HOLES)
K = CMR (ALL TAP HOLES)
L = UG COVER (CLEAR HOLES)
M = UG COVER (ALL TAP HOLES)
N = UG COVER GROOVED (ALL CLEAR HOLES)
O = UG CHOKE (CLEAR HOLES)
P = UG CHOKE (ALL TAP HOLES)
Q = UG COVER GROOVED (ALL TAP HOLES)
R = UBR
S = PBR
T = CBR
U = UDR
V = PDR
W = CDR
X = SPECIAL FLANGES (CUSTOMER TO SPECIFY)


  SAMPLE P/N: AMC-N75-L-B

MODEL
N0:
Waveguide
SIZE
FLANGE
TYPE
MATERIAL
A=Aluminum
B=Brass
AMC-N75LB

The above referenced part number describes the following Item: WR 75 waveguide to coaxial adapter type “Type N” With a cover flange in brass. All connectors are female Unless specified.

Waveguide Adapter Description

  • 1.70 – 18.00 GHz Performance Frequency

  • 1.25 Typical Max VSWR (VSWR varies with design)

  • Male or Female Connectors available

  • Numerous Flange Configurations available

  • Aluminum (6061) or Copper (OFHC) Waveguide Material

AMC offers special unit design upon customer request.

All AMC components are produced with the highest quality available. We insure our quality with an ISO9001 / AS9100 Quality System. All AMC Adapters are painted flat black, but we offer additional upgrades on paint.

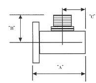
Waveguide To Coaxial Diagram

amc-n-type

WR SIZE

FREQ: GHZ

DIM. A

DIM. B

DIM. C

62

12.4 – 18.0

1.75

1.25

0.50

75

10.0 – 15.0

1.50

1.10

0.50

90

8.20 – 12.4

1.63

1.10

0.50

102

7.00 – 11.0

1.40

1.08

0.50

112

7.05 – 10.0

1.76

1.17

0.51

137

5.85 – 8.20

1.81

1.28

0.56

159

4.90 – 7.05

2.00

1.32

0.50

187

3.95 – 5.85

2.25

1.36

0.70

229

3.30 – 4.90

2.30

1.50

0.80

284

2.60 – 3.95

2.85

2.19

0.85

430

1.70 – 2 60

4.80

2.25

1.75

 

AMC CONNECTOR CODES:

N = TYPE N COAX CONNECTOR-FEMALE

NM = TYPE N COAX CONNECTOR-MALE

NOTE: Type N female is standard

 

 

Note: All AMC models include an iridite/ corrosion Protection treatment, painted flat black, flanges are unplated, Iridited and polished. For other flange finishes, material or Paint color requirements, please specify