We Keep Your Satellite Systems Right On Target
727-571-1008

Crossguide Couplers

amc-crossguide-coupler

  WAVEGUIDE FLANGES:

A = AMC QUICK DISCONNECT (MALE) PATENT PROTECTED

B = AMC QUICK DISCONNECT (FEMALE) PATENT PROTECTED

C = MODIFIED CPR STYLE – GROOVE ONLY, NO CONTACTS (CLEAR HOLES)

D = MODIFIED CPR STYLE – GROOVE ONLY, NO CONTACTS (ALL TAP HOLES)

= CPR STYLE FLAT (ALL TAP HOLES)

F = CPR STYLE FLAT (CLEAR HOLES)

G = CPR STYLE CONTACT GROOVED (CLEAR HOLES)

H = CPR STYLE CONTACT GROOVED (ALL TAP HOLES)

I = CMR (CLEAR HOLES)

J = CMR (ALT/ TAP,/CLEAR HOLES)

K = CMR (ALL TAP HOLES) 

L = UG COVER (CLEAR HOLES)

M = UG COVER (ALL TAP HOLES) 

N = UG COVER GROOVED (ALL CLEAR HOLES)

O = UG CHOKE (CLEAR HOLES) 

P = UG CHOKE (ALL TAP HOLES)

Q = UG COVER GROOVED (ALL TAP HOLES)

R = UBR

S = PBR

T = CBR

U = UDR

V = PDR

W = CDR

X = SPECIAL FLANGES (CUSTOMER TO SPECIFY)

  AMC P-3 Type Codes:

= Type N Coax. Conn. – Female

NM = Type N Coax, Conn. – Male

S = Type SMA Coax. Conn.- Female

SM = Type SMA Coax. Conn. – Male

K = TYPE K/2.92 COAX. Female

Crossguide Couplers Description

  • Frequency 1.7 – 18 GHz 

  • 1.15 Typical VSWR 

  • SMA & Type N (Male or Female) Connectors Available

  • Mid-Band Nominal Coupling Values of 20-50 are standard.

  • Standard Material Copper (OFHC) or Aluminum (6061) Waveguide

  • 10-20DB of Directivity is Typical



AMC offers a top of the line crossguide coupler that is used to sample the power traveling through a system. All AMC components are produced with the highest quality available.

We insure our quality through a ISO9001 / AS9100 certified quality system.

amc-cgc

 

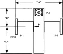
WR SIZE

FREQ: GHZ

DIM. A

DIM. B

DIM. C

42

18.0 – 23.0

3..00

1.25

1.99

62

12.4 – 18.0

3.5

1.75

2.37

75

10.0 – 15.0

3.75

1.87

2.5

90

8.20 – 12.4

4

2

2.75

112

7.05 – 10.0

4.2

2.1

3

137

5.85 – 8.20

6

2.47

4

159

4.90 – 7.05

4

2.30

3.20

187

3.95 – 5.85

6.5

3.25

4.5

229

3.30 – 4.90

7

3.5

4.75

284

2.60 – 3.95

7.5

3.75

9.25

430

1.7 – 2.6

9

6.13

9.25

  • Specify Operating Frequency.

  • Return Loss (Main Arm) > 26dB.

  • Return Loss (2nd Arms) > 19dB.

  • Specify coupling direction (forward or reverse).

  • Specify if pressurization is required.

Note: All AMC-CGC models are made of Brass or Aluminum and include an iridite/ corrosion protection treatment. Flanges are unplated, iridited and polished. Finish is flat black. For other plating finishes, materials, or paint color requirements, please specify

SAMPLE P/N: AMC-CGC75-P/L-N-40B

MODEL
NUMBER
WAVEGUIDE
SIZE
FLANGE TYPE
P1 + P2
CONNECTOR
P3
COUPLING
VALVE DB
Material
A = Alum.
B = Brass

AMC-CGC

75

P/L 

N

40

B

The above part number describes the following: WR 75 crossguide coupler, with CHOKE FLANGE/COVER FLANGE on primary arm and a type “N” coax connection. The connector is on the secondary axis arm. The coupling value is 40dB. The last letter ‘B’ reflects the material Copper/Brass the other option is ‘A’ for Aluminum.