We Keep Your Satellite Systems Right On Target
727-571-1008

LOOP Style Couplers

amc-loop-coupler

  WAVEGUIDE FLANGES:

A = AMC QUICK DISCONNECT (MALE) PATENT PROTECTED

B = AMC QUICK DISCONNECT (FEMALE) PATENT PROTECTED

C = MODIFIED CPR STYLE – GROOVE ONLY, NO CONTACTS (ALL CLEAR HOLES)

D = MODIFIED CPR STYLE – GROOVE ONLY, NO CONTACTS (ALL TAP HOLES)

= CPR STYLE FLAT (ALL TAP HOLES)

F = CPR STYLE FLAT (CLEAR HOLES)

G = CPR STYLE CONTACT GROOVED (CLEAR HOLES)

H = CPR STYLE CONTACT GROOVED (ALL TAP HOLES)

I = CMR (CLEAR HOLES)

J = CMR (ALT/ TAP,/CLEAR HOLES)

K = CMR (ALL TAP HOLES) 

L = UG COVER (CLEAR HOLES)

M = UG COVER (ALL TAP HOLES) 

N = UG COVER GROOVED (ALL CLEAR HOLES)

O = UG CHOKE (CLEAR HOLES) 

P = UG CHOKE (ALL TAP HOLES)

Q = UG COVER GROOVED (ALL TAP HOLES)

R = UBR

S = PBR

T = CBR

U = UDR

V = PDR

W = CDR

X = SPECIAL FLANGES (CUSTOMER TO SPECIFY)

 

Loop Style Coupler Description

  • 1.70 – 15.00 GHz Frequency

  • Standard VSWR 1.10

  • 20% Operational Band Width

  • Standard Material Copper or Aluminum Waveguide (6061)

Advanced Microwave Components is proud to offer quality waveguide in a flash! Our waveguide loop couplers are manufactured to meet our customer’s specifications.

All AMC components are produced with the highest quality available. We insure our quality through a ISO9001 / AS9100 certified quality system.

All parts are painted flat black and the flanges are polished, unplated and iridated.

amc-lc

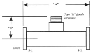
WR SIZE

FREQ: GHZ

DIM. A

DIM. B

75

10.0 – 15.0 

3

1.7

90

8.20 – 12.4 

3

1.72

112

7.05 – 10.0 

3

1.78

137

5.85 – 8.20 

4

1.84

159

4.90 – 7.05 

4

1.92

187

3.95 – 5.85 

6

1.98

229

3.30 – 4.90 

6

2.1

284

2.60 – 3.95 

6

2.25

430

1.70 – 2.60 

6

2.55

 

Note: All AMC-LC models are made of brass or aluminum and include an iridite/corrosion protection treatment. Flanges are unplated, iridited and polished. Finish is flat black. For other plating finishes, material or paint color requirements, please specify.

SAMPLE P/N: AMC-LC137-F/F-N-40B

MODEL No.

WAVEGUIDE
SIZE

FLANGE TYPE
P1 + P2

CONNECTOR
Type

COUPLING
VALUE dB

MATERIAL
A=Aluminum
B=Brass

AMC-LC

137

-F/F- 

N

40

B


The above part number describes the following item: WR137 loop coupler, with CPRF flanges on primary arm and a type “N” coax. connector. 40dB couplingCopper/Brass.