A = AMC QUICK DISCONNECT (MALE) PATENT PROTECTED |
B = AMC QUICK DISCONNECT (FEMALE) PATENT PROTECTED |
C = MODIFIED CPR STYLE – GROOVE ONLY, NO CONTACTS (ALL CLEAR HOLES) |
D = MODIFIED CPR STYLE – GROOVE ONLY, NO CONTACTS (ALL TAP HOLES) |
E = CPR STYLE FLAT (ALL TAP HOLES) |
F = CPR STYLE FLAT (CLEAR HOLES) |
G = CPR STYLE CONTACT GROOVED (CLEAR HOLES) |
H = CPR STYLE CONTACT GROOVED (ALL TAP HOLES) |
I = CMR (CLEAR HOLES) |
J = CMR (ALT/ TAP,/CLEAR HOLES) |
K = CMR (ALL TAP HOLES) |
L = UG COVER (CLEAR HOLES) |
M = UG COVER (ALL TAP HOLES) |
N = UG COVER GROOVED (ALL CLEAR HOLES) |
O = UG CHOKE (CLEAR HOLES) |
P = UG CHOKE (ALL TAP HOLES) |
Q = UG COVER GROOVED (ALL TAP HOLES) |
R = UBR |
S = PBR |
T = CBR |
U = UDR |
V = PDR |
W = CDR |
X = SPECIAL FLANGES (CUSTOMER TO SPECIFY) |
N = Type N Coax. Conn. – Female |
NM = Type N Coax, Conn. – Male |
S = Type SMA Coax. Conn.- Female |
SM = Type SMA Coax. Conn. – Male |
Note: Female Type N (N) and SMA (S) connectors are standard |
1.7 – 18.0 GHz High Performance
1.15 Typical VSWR
SMA & Type N
Male or Female Connectors
Mid-Band Nominal Coupling Values of 20-50 are standard.
Standard Material Copper or Aluminum (6061) Waveguide
10-20DB of Directivity is Typical
AMC offers a top of the line dual crossguide coupler that is used to sample the power travelling through a system.
Note all AMC-DCGC models can be manufactured differently than what is posted on this page to meet customer requirements. Please contact the AMC sales staff to go over your specific requirements.
We offer a flat black paint finish that is standard with all our units. We also offer additional upgrades on paint upon request.
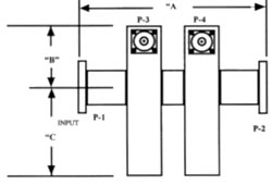
WAVEGUIDE SIZE | FREQUENCY: GHZ | DIMENSION A | DIMENSION B | DIMENSION C |
|---|---|---|---|---|
62 | 12.4 – 18.0 | 3 75 | 1.75 | 2.37 |
75 | 10.0 – 15.0 | 4 | 1.87 | 2.5 |
90 | 8.20 – 12.4 | 4.25 | 2 | 2.75 |
112 | 7.05 – 10.0 | 5.25 | 2.1 | 3 |
137 | 5.85 – 8.20 | 6 | 2.47 | 4 |
159 | 4.90 – 7.05 | 6.12 | 3 | 4 |
187 | 3.95 – 5.85 | 6 75 | 3.25 | 4.5 |
229 | 3.30 – 4.90 | 7 50 | 3.5 | 4.75 |
284 | 2.60 – 3.95 | 8.75 | 3.75 | 5 |
Specify Operating Frequency.
Return Loss (Main Arm) > 26dB.
Return Loss (2nd Arms) > 19dB.
Specify coupling direction (forward or reverse).
Specify if pressurization is required.
Note: All AMC-CGC models are made of Brass or Aluminum and include an iridite/ corrosion protection treatment. Flanges are unplated, iridited and polished. Finish is flat black. For other plating finishes, materials, or paint color requirements, please specify
MODEL NUMBER | WAVEGUIDE | FLANGE TYPE | CONNECTOR TYPE | COUPLING | MATERIAL |
|---|---|---|---|---|---|
AMC-DCGC | 137 | -F/F- | S/S | 40F-20R | B |
The above part number describes the following. WR137 dual crossguide coupler, with CPRF flanges on primary arm and type “sma” coax. connector on both cross axis arms. Coupling values, 40db forward, 20db reverse. Copper/Brass Materials. Note: All AMC-DCGC models are made of Copper/Brass or aluminum and include an iridite/corrosion protection treatment. Flanges are unplated. iridited and polished. Finish is flat black. For other plating finishes, material or paint color requirements, specify.